Zimmermann Verbinder für Bauwesen Montage
Material
- Verzinkter Stahl
Anwendungsempfehlung
Verbindungselemente sorgen für eine starke, ästhetische und professionelle Verbindung verschiedener, vor allem hölzerner Bauelemente.
Sie ermöglichen auch das Verbinden von Holz mit Beton und Stahl.
Winkel zum Verbinden von Holzelementen sorgen für eine starke, ästhetische und professionelle Verbindung verschiedener Bauelemente, wobei Streben, Schwerter oder Diagonalen aus Verstärkungen von Rahmenelementen hergestellt werden.
Durch eine Vielzahl durchdachter Öffnungen können Sie diese sowohl in Standardlösungen als auch in ausgewählten Einzellösungen einsetzen.
Montage
- Ringnägel
- Zimmerschrauben
- Holzschrauben
- Stahlschrauben
- Dübel
- Anker
Alle varianten
Technische Daten
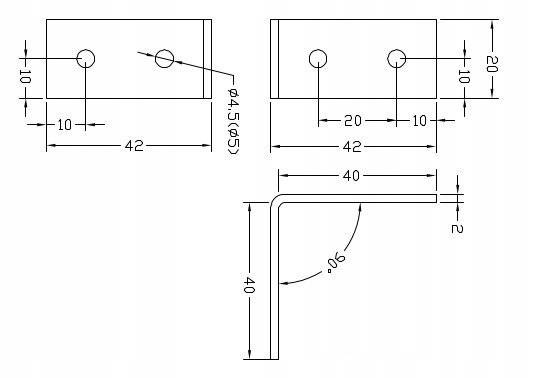
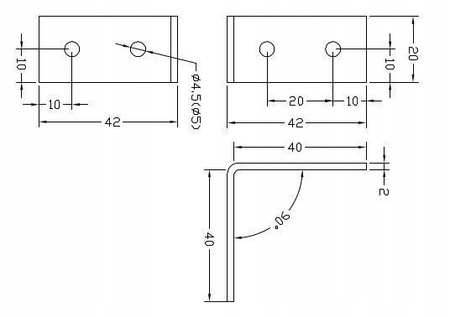
| Maß: | 40 x 40 x 20 x 2 mm |
| Locher (1): | 4 x Ø4,5 mm |
| Charakteristische Tragfähigkeit: | 1,55 kN |
| Berechnete Tragfähigkeit: | 0,50 kN |
| Brandklasse: | A1 |
| Anwendungsbereich: | Tischlerei-Winkel |
















![[KP-01] Tischlerei Lochplattenwinkel für Bauwesen Montage 40 x 40 x 20 x 2 mm](/hpeciai/0ec1c9690cbb4815870a34839d20d4f1/ger_ps_-KP-01-Tischlerei-Lochplattenwinkel-fur-Bauwesen-Montage-40-x-40-x-20-x-2-mm-48479_1.jpg)